Главная Каталог продукции Прайс-лист Полезная информация контакты
Редукторы цилиндрические
Редукторы червячные
Мотор-редукторы
Преобразователи частоты
Устройства плавного пуска
Аксессуары для ПЧ
Энкодеры
Карта сайта

 

Приводная техника

 

Вся продукция сертифицирована. Мы будем рады видеть Вас клиентом нашей компании.

 

 

Редукторы цилиндрические одноступенчатые ЦУ-100, ЦУ-160, ЦУ-200, ЦУ-250

Одноступенчатый горизонтальный цилиндрический редуктор 1ЦУ-100, 1ЦУ-160, 1ЦУ-200, 1ЦУ-250

 

Одноступенчатый горизонтальный цилиндрический редуктор 1ЦУ-100, 1ЦУ-160, 1ЦУ-200, 1ЦУ-250

 

 

Описание:

Редуктор цилиндрический одноступенчатый узкий горизонтальный общемашиностроительного применения типа 1ЦУ-100, 1ЦУ-160, 1ЦУ-200, 1ЦУ-250 предназначен для увеличения крутящего момента и уменьшения частоты вращения.

Условия применения редукторов:

нагрузка постоянная и переменная, одного направления и реверсивная;
работа постоянная или с периодическими остановками;
вращение валов в любую сторону
частота вращения входного вала не должна превышать 1800 об/мин;
атмосфера типов I и II по ГОСТ 15150-69 при запыленности воздуха не более 10 мг/м3;
климатические исполнения У, Т (для категории размещения 1…3) и климатические исполнения УХЛ и О (для категорий размещения 4) по ГОСТ 15150-69.

 

 

Примечания:

при работе в реверсивном режиме, т. е. при периодическом изменении направлений нагрузки номинальные крутящие моменты на выходном валу, указанные в таблице, должны быть снижены на 30 %;
редукторы допускают кратковременные перегрузки, возникающие при пусках и остановках двигателя, в 2 раза превышающие номинальные нагрузки, если число циклов нагружения быстроходного вала за время действия этих перегрузок не превысит 3·106 в течение всего срока службы редуктора;
номинальные крутящие моменты на выходном валу, указанные для редукторов 1ЦУ-200 и 1ЦУ-250, передаются при струйной смазке;
номинальная радиальная нагрузка на выходном валу для вариантов сборки 13, 23, 33 и на входном валу — для 31, 32, 33 должна быть уменьшена в два раза;
редукторы сборок 31, 32, 33 изготавливаются и поставляются по согласованию с заводом-изготовителем.

 

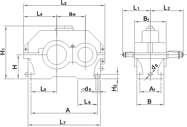
Габаритные и присоединительные размеры:

 

Габаритные и присоединительные размеры

 

Габаритные и присоединительные размеры

 

Габаритные и присоединительные размеры 1ЦУ-100, 1ЦУ-160, 1ЦУ-200, 1ЦУ-250:

Типоразмер редуктора
аw
А
A1
В
B1
H
H1
H2
L1
L2
L3
L4
L5
L6
ЦУ-100
100
224
95
132
140
112
224
22
136
155
315
132
85
90
ЦУ-160
160
355
125
175
185
170
335
28
218
218
475
195
136
125
ЦУ-200
200
437
136
200
212
212
425
36
230
265
580
236
165
160
ЦУ-250
250
545
185
250
265
265
530
40
280
315
710
290
212
190

 

Типоразмер редуктора
L7
b1
b2
d1
d2
d3
d4
d5
d6
d7
d8
h1
h2
ЦУ-100
265
8
10
25
35
M16x1,5
М20х1,5
15
M24x1,5
40
45
7
8
ЦУ-160
412
14
16
45
55
М30х2,0
МЗ6х3,0
24
M24x1,5
63
75
9
10
ЦУ-200
500
16
20
55
70
М36х3,0
М48х3,0
24
M24x1,5
75
100
10
12
ЦУ-250
615
20
25
70
90
М48х3,0
М64х4,0
28
М24х1,5
100
130
12
14

Варианты сборки редукторов типа 1ЦУ-100, 1ЦУ-160, 1ЦУ-200, 1ЦУ-250:

 

Варианты сборки редукторов типа 1ЦУ-100, 1ЦУ-160, 1ЦУ-200, 1ЦУ-250

 

 

Термическая мощность, кВт:

 

Типоразмер редуктора
l1
l2
l3
l4
t1
t2
ЦУ-100
42
58
60
80
4,0
5,0
ЦУ-160
82
82
110
110
5,5
6,0
ЦУ-200
82
105
110
140
6,0
7,5
ЦУ-250
105
130
140
170
7,5
9,0

 

Типоразмер редуктора
Номинальные передаточные числа
2
2,5
3,15
4
5
6,3
ЦУ-100
Не лимитируется
ЦУ-160
ЦУ-200
80
74
68
60
54
47
ЦУ-250
127
118
108
97
87
76

 

ТЕХНИЧЕСКИЕ ХАРАКТЕРИСТИКИ РЕДУКТОРОВ ТИПА 1ЦУ-100, 1ЦУ-160, 1ЦУ-200, 1ЦУ-250

 

Типоразмер редуктора
Номинальный вращающий момент на выходном валу Мт , Н*м
Допускаемая радиальная нагрузка, Н
Объем заливаемого масла, л
Масса кг
на входном валу Fвх
на выходном валу Fвых
ЦУ-100
250
500
2000
1
27
ЦУ-160
1000
1000
4000
2
75
ЦУ-200
2000
2000
5600
4
135
ЦУ-250
4000
3000
8000
7,5
250

 

 

Приводная техника (мотор-редукторы, преобразователи частоты и устройства плавного пуска) отправляется покупателю транспортной компанией. По всем вопросам обращаться в офис.


Мы всегда рады видеть у себя наших старых партнеров и ждем новых.

Доставка во все регионы России!