Главная Каталог продукции Прайс-лист Полезная информация контакты
Редукторы цилиндрические
Редукторы червячные
Мотор-редукторы
Преобразователи частоты
Устройства плавного пуска
Аксессуары для ПЧ
Энкодеры
Карта сайта

 

Приводная техника

 

Вся продукция сертифицирована. Мы будем рады видеть Вас клиентом нашей компании.

 

 

Редукторы двухступенчатые цилиндрические 1Ц2У-100, 1Ц2У-125, 1Ц2У-160, 1Ц2У-200, 1Ц2У-250

Двухступенчатые цилиндрические редукторы типов 1Ц2У-100, 1Ц2У-125, 1Ц2У-160, 1Ц2У-200, 1Ц2У-250

 

Двухступенчатые цилиндрические редукторы типов 1Ц2У-100, 1Ц2У-125, 1Ц2У-160, 1Ц2У-200, 1Ц2У-250

 

 

Описание:

Цилиндрический горизонтальный двухступенчатый редуктор 1Ц2У-100, 1Ц2У-125, 1Ц2У-160, 1Ц2У-200, 1Ц2У-250 общемашиностроительного применения и межосевым расстоянием второй ступени 100мм, 125мм, 160мм, 200мм, 250мм соответственно, предназначенный для изменения крутящего момента за счёт изменения частоты вращения в пределах передаточных чисел 8...40.

 

Редуктор 1Ц2У-100

Редуктор – вид специального оборудования, предназначенный для увеличения крутящего момента, изменения частоты вращения рабочего вала и передачи энергии от одного элемента системы к другому. Модель 1Ц2У-100 представляет собой горизонтально ориентированный цилиндрический двухступенчатый редуктор универсального назначения.

Использование редуктора модели 1Ц2У-100 имеет следующие особенности:

  • Вал может крутиться в любую сторону. Работа как постоянная, так и периодическая с остановками.
  • Широкий вид допустимой нагрузки: постоянная или переменная, любого направления воздействия.
  • Частота вращения – до 1800 оборотов за 60 секунд.
  • Разрешенные условия эксплуатации: атмосфера I или II типов по ГОСТ-15150-69 с уровнем запыленности менее 10 мг на метр кубический.

Для того чтобы полностью отразить все характеристики и параметры, которыми должен обладать заказываемый редуктор, следует указывать полную маркировку, в которую уже включены необходимые данные.

Например, 1Ц2У-100 - 10 - 12Ц - У1 говорит о типе редуктора(1Ц2), межосевом расстоянии(100мм), числе передач(10), варианте сборки(12), форме выходного вала (Ц – цилиндрический) и климатическом исполнении (У1).

Редуктор 1Ц2У-125

Модель 1Ц2У-125 – редуктор цилиндрический с горизонтальной ориентацией и двумя ступенями передачи. Как и другие виды редукторов 1Ц2У-125 служит для передачи вращательного движения от вала двигателя к рабочему валу агрегата, приводимого в действие. Помимо передачи энергии, редуктор выполняет функцию преобразования передаваемых крутящего момента (увеличивает) и частоты вращения механизмов (снижает).

Полная маркировка, используемая для обозначения редуктора модели 1Ц2У-125, имеет следующий вид:

1Ц2У-125 - 10 - 12Ц - У1, где

1Ц2У – тип редуктора

125 – расстоянии с миллиметрах между осями

10 – число передач

12Ц – вариант сборки и цилиндрическая форма выходного вала

У1 – климатические условия, допустимые для использования, и категория размещения.

Редуктор модели 1Ц2У-125 используется в условиях постоянной и изменяемой нагрузки с любым направлением воздействия. Режим работы предусматривает как постоянный, так и периодический характер использования.

Вращение всех валов производится в обе стороны, максимально предусмотренная частота - 1800 вращений в минуту. Промышленно выпускается в нескольких вариантах климатического исполнения, что дает возможность использовать данный тип оборудования в разных погодных условиях с различным вариантом размещения.

Редуктор 1Ц2У-160

Модель 1Ц2У-160 представляет собой редуктор горизонтально ориентированный цилиндрического типа с двумя ступенями передач. Межосевое расстояние составляет 160мм. Используется для передачи и изменения крутящих моментов, а также изменения частоты вращения предусмотренных конструкцией валов.

Благодаря своей универсальности, нашел применение в машинах и агрегатах самого разного назначения. Наиболее широко используется для производства мотор-редуктора типа 1МЦ2У-160.

Особенности применения редуктора модели 1Ц2У-160:

  • Рассчитан на нагрузки любого типа: постоянные, переменные, с переменным направление воздействия;
  • Режим работы предусматривает как использование постоянное, так и периодическое с перерывами на остановки;
  • Все валы и механизмы крутятся в обе стороны, частота вращения – не более 1800 оборотов за минуту;
  • Различные климатические исполнения и категории размещения позволяют подобрать модификацию для использования в любых условиях;
  • Допустимая запыленность воздуха в рабочей зоне – не более 10 мг на куб.метр.

Редуктор 1Ц2У-200

В общем случае редуктором называется механизм, предназначенный для сообщения энергии вращения от ведущего вала электрического двигателя к рабочему валу машины. Помимо сообщения движения, редуктор выполняет еще и функцию преобразования значений крутящего момента и частоты вращения. Редуктор повышает передаваемый крутящий момент и снижает количество оборотов вала. Если механизм имеет обратную задачу, то он называется мультипликатором или ускорителем. Решение поставленных задач достигается путем применения комплекса передач разного типа: зубчатых, ременных, цепных и прочих.

Модель 1Ц2У-200 имеет несколько вариантов обозначения: 1ц2у-200: ц2у, 1ц2у, ц2у200, 1ц2у200, редуктор 1ц2у-200 (ц2у-200). Все они служат названием одному типу устройства, которое представляет собой горизонтально ориентированный редуктор цилиндрического типа с двумя ступенями передач. В качестве рабочего элемента в редукторе данного типа используются передачи зубчатого или червячного вида.

Передачи могут, как входить в состав редуктора, так и присутствовать в открытом виде. Редуктор 1Ц2У-200 может быть выполнен специально для решения определенной задачи в конкретной машине, а может выпускаться в различных вариациях без указания назначения.

Варианты выполнения различаются между собой по следующим параметрам:

1. Типу передачи – в данной модели используются передачи зубчатые, червячные или комбинированного типа;

2. Количеству ступеней;

3. Виду зубчатых колес. Могут быть цилиндрическими, коническими или смешанного типа;

4. Способу расположения валов – горизонтальное или вертикальное;

5. Конструктивным особенностям – схема может быть развернутой, с раздвоенной ступенью, соосной.

Если габариты механизмов не позволяют применять цилиндрические редукторы с большим числом передач, то их функции с успехом выполняют волновые и планетарные типу редукторов.

Полная маркировка редуктора модели 1Ц2У-200 включает в себя такие сведения как:

  • Тип редуктора и количество его ступеней – Ц2
  • Межосевое расстояние в миллиметрах – 200
  • Передаточное число – 10
  • Вариант сборки -12
  • Вид конца выходного вала – Ц(цилиндрический) или М(в виде муфты)
  • Климатическое исполнение – У или Т и категория размещения – 1-4.

Примером правильного оформления заказа может служить маркировка такого типа: 1Ц2У-200 -10-12Ц-У1

Условия эксплуатации имеют следующие особенности:

  • Нагрузка может быть любого типа: постоянной или переменной, направленной в одном направлении или периодически изменять направление воздействия.
  • Валы редуктора могут вращаться в разные стороны без каких-либо предпочтений
  • Максимальное количество оборотов вала в минуту – 1800
  • Возможность использования в различных климатических условиях в зависимости от типа климатического исполнения
  • Запыленность атмосферы не должна превышать 10 мг непроводящей пыли на метр кубический

Редуктор 1Ц2У-250

Редуктором называется механизм, предназначенный для сообщения энергии вращения от ведущего вала электрического двигателя к рабочему валу машины. Помимо сообщения движения, редуктор выполняет еще и функцию преобразования значений крутящего момента и частоты вращения. Редуктор повышает передаваемый крутящий момент и снижает количество оборотов вала. Если механизм имеет обратную задачу, то он называется мультипликатором или ускорителем. Решение поставленных задач достигается путем применения комплекса передач разного типа: зубчатых, ременных, цепных и прочих.

Модель 1Ц2У-200 имеет несколько вариантов обозначения: 1ц2у-250: ц2у, 1ц2у, ц2у250, 1ц2у250, редуктор 1ц2у-250 (ц2у-250). Все они служат названием одному типу устройства, которое представляет собой горизонтально ориентированный редуктор цилиндрического типа с двумя ступенями передач. В качестве рабочего элемента в редукторе данного типа используются передачи зубчатого или червячного вида.

Передачи могут, как входить в состав редуктора, так и присутствовать в открытом виде. Редуктор 1Ц2У-250 может быть выполнен специально для решения определенной задачи в конкретной машине, а может выпускаться в различных вариациях без указания назначения.

Варианты выполнения различаются между собой по следующим параметрам:

1. Типу передачи – в данной модели используются передачи зубчатые, червячные или комбинированного типа;

2. Количеству ступеней;

3. Виду зубчатых колес. Могут быть цилиндрическими, коническими или смешанного типа;

4. Способу расположения валов – горизонтальное или вертикальное;

5. Конструктивным особенностям – схема может быть развернутой, с раздвоенной ступенью, соосной.

Если габариты механизмов не позволяют применять цилиндрические редукторы с большим числом передач, то их функции с успехом выполняют волновые и планетарные типу редукторов.

Полная маркировка редуктора модели 1Ц2У-250 включает в себя такие сведения как:

  • Тип редуктора и количество его ступеней – Ц2
  • Межосевое расстояние в миллиметрах – 250
  • Передаточное число – 10
  • Вариант сборки -12
  • Вид конца выходного вала – Ц(цилиндрический) или М(в виде муфты)
  • Климатическое исполнение – У или Т и категория размещения – 1-4.

Примером правильного оформления заказа может служить маркировка такого типа: 1Ц2У-250 -10-12Ц-У1

Условия эксплуатации имеют следующие особенности:

  • Нагрузка может быть любого типа: постоянной или переменной, направленной в одном направлении или периодически изменять направление воздействия.
  • Валы редуктора могут вращаться в разные стороны без каких-либо предпочтений
  • Максимальное количество оборотов вала в минуту – 1800
  • Возможность использования в различных климатических условиях в зависимости от типа климатического исполнения
  • Запыленность атмосферы не должна превышать 10 мг непроводящей пыли на метр кубический

 

При количестве передач 8, 10 и 12.5 для редукторов 1Ц2У-200 с цилиндрическим концом выходного вала при небольших нагрузках значение передаваемых крутящих моментов должны быть ниже номинальных на 20%. Номинальная нагрузка на выходной вал для редукторов 13, 23 и 33 вариантов сборки уменьшается в два раза. При реверсивном режиме работы крутящие моменты снижаются по сравнению с заявленными на 30%.

 

Габаритные и присоединительные размеры:

 

Габаритные и присоединительные размеры

 

Габаритные и присоединительные размеры

 

Типоразмер редуктора
Межосевые расстояния
L
L1
l
l1
l2
l3
l4
l5
l6
H не более
awвых
awвх
не более
-
-
-
-
-
-
-
1Ц2У-100
100
80
387
325
136
85
136
165
103
115
-
230
1Ц2У-125
125
80
450
375
160
106
145
206
112
136
-
272
1Ц2У-160
160
100
560
475
200
136
170
224
132
155
145
345
1Ц2У-200
200
125
690
580
243
165
212
280
160
190
186
425
1Ц2У-250
250
160
825
730
290
212
265
335
195
230
224
530

 


 
h
-
Типоразмер редуктора
H1
c чугун. корп.
с алюм. корп.
А
A1
В
B1
d
1Ц2У-100
112
20±3
290
109
155
145
15
1Ц2У-125
132
22±3
335
125
175
165
19
1Ц2У-160
170
24±4
28±4
425
140
206
195
24
1Ц2У-200
212
30±4
515
165
243
230
24
1Ц2У-250
265
32±5
670
218
290
280
28

 

 

ТЕХНИЧЕСКИЕ ХАРАКТЕРИСТИКИ 1Ц2У-100, 1Ц2У-125, 1Ц2У-160, 1Ц2У-200, 1Ц2У-250

 

Наименование показателя
Типоразмер редуктора
1Ц2У-100
1Ц2У-125
1Ц2У-160
1Ц2У-200
1Ц2У-250
Передаточные числа
Группа 1
10; 20; 31,5; 40
Группа 2
8;12,5; 16; 25
Фактические передаточные числа
Группа 1
10,32;20,64; 32,55; 40,32
10; 20; 31,5;38,37
10,32; 20,64; 32,55; 40,32
9,76; 20,02; 31,47; 38,98
9,94; 20,67; 31,47; 38,4
Группа 2
8; 12,8; 16; 25,6
7,75; 12,18; 15,48; 24,36
8; 12,6; 16,0; 25,2
8,09; 12,08; 16,6; 24,83
8,33; 12,12; 16; 24,54
Номинальный крутящий момент на вы­ходном валу при длительной работе с постоянной нагрузкой Н*м
непрерыв­ный (Н) ПВ=100%
315
630
1250
2500
5000
Допускаемый крутя­щий момент на вы­ходном валу при работе редуктора на повторно-кратковременных режимах. Н*м
тяжелый (Т) ПВ=40%
315
630
1600
3150
6300
средний (С) ПВ=25%
2000
4000
8000
легкий (Л) ПВ=15%
2500
5000
10000
Допускае­мая радиальная консольная нагрузка. приложенная в середине посадочной части, Н
входно­го вала
непрерыв­ный (Н) ПВ=100%
500
750
1000
2240
3150
тяжелый (Т) ПВ=40%
1150
2500
3550
средний (С) ПВ=25%
1280
2800
4000
легкий (Л) ПВ=15%
1450
3150
4500
выходного вала
непрерыв­ный (Н) ПВ=100%
4500
6300
9000
12500
18000
тяжелый (Т) ПВ=40%
10000
14000
20000
средний (С) ПВ=25%
11200
16000
22400
легкий (Л) ПВ=15%
12500
18000
25000
Термическая мощность, кВт
не лимитирует
Коэффициент полезного действия, не менее, %
97
Масса редуктора, не более, кг
с чугунным корпусом
-
95
170
310
с алюминиевым корп.
21
31,5
57
-
-

 

Примечание: Редукторы должны изготавливаться по вариантам сборки по ГОСТ 20373-80 согласно таблице по 2 группам

 

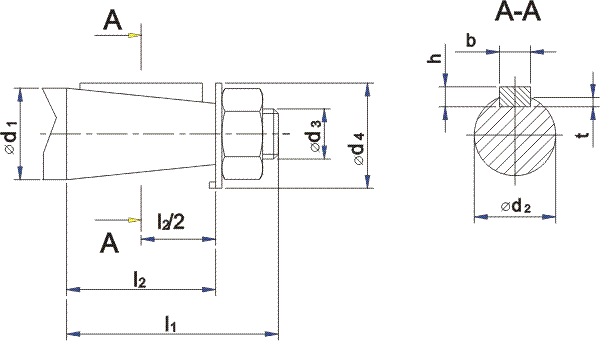
Типоразмер
Вал
d1
d2
d3
d4
не более
l1
l2
b
h
t
1Ц2У-100
1Ц2У-125
быстроходный
20
18,2
М12х1,5
40
50
36
4
4
2,5
1Ц2У-160
1Ц2У-200
1Ц2У-250
25
30
40
22,9
27,1
35,9
М16х1,5
М20х1,5
М24х2,0
45
50
63
60
80
110
42
58
82
5
10
5
8
3,0
5,0
1Ц2У-100
1Ц2У-125
1Ц2У-160
1Ц2У-200
1Ц2У-250
тихоходный
35
45
55
70
90
32,10
40,90
50,90
64,75
83,50
M20x1,5
М30х2,0
М36х3,0
М48х3,0
М64х4,0
50
75
88
100
130
80
110
110
140
170
58
82
82
105
130
6
12
14
18
22
6
8
9
11
14
3,5
5,0
5,5
7,0
9,0

 

 

Приводная техника (мотор-редукторы, преобразователи частоты и устройства плавного пуска) отправляется покупателю транспортной компанией. По всем вопросам обращаться в офис.


Мы всегда рады видеть у себя наших старых партнеров и ждем новых.

Доставка во все регионы России!